リフレッシュ方法と特長
空気と水の併用によるオリジナルのリフレッシュ方法は、今までにないクリーニング効果をもたらせます。
エンジンオイル内の添加物の燃焼により発生する煤や灰は、運転中の燃焼により完全に除去されることなくDPF内に堆積するため、定期的なクリーニングが必要です。独自の特殊技術による洗浄方法により、水と圧縮空気を併用し、短時間で且つ大きなリフレッシュ効果と低コストを実現し、世界で10万件を超える実績を上げています。従来のクリーニング方法(エアブロー)を遥かに超越したクリーン度と経済性を実現しました。





エアブローによるクリーニングを施した場合、空気は通気孔を通るので、蓄積した灰の後ろに回り込むことが出来ません。水とエアブローの併用により、エアブローのみのクリーニングでは残留していた煤や灰を除去する事が可能になりました。
品質の管理
DPF洗浄後、フィルター部の検査・試験を行い、徹底した品質管理を行います。
1) フィルター部洗浄後は下記の項目について、検査・試験を行います。
2) フィルター部の詰まりと割れを確認し、不合格フィルターの画像を出力。




3) 光の種類・波長を変えて2種類の検査を行います。


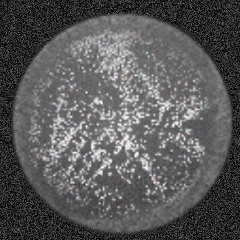
4) 欠損している箇所が白く写る理由




「触媒」は各セルを排気ガスが通過する仕様になっていますが、DPFのセルは互い違いに塞がっていて微粒子は吸着されます。その為、一定期間使用すればフィルターが詰まってしまいチェックランプが点灯します。しかし、何らかの原因でフィルターが破損すれば微粒子が抜けてしまうことになります。
正常なフィルターの場合は、各セルが塞がっている為、下部から光を当てても光は通過せずに全体が黒く写りますが、欠損している箇所があれば、そこから光が漏れて白く写ります。
5) 検査・試験結果をリフレッシュレポートとして管理致します。
DPF内部の写真や新品のDPFとの比較グラフなど、洗浄できたのかをお客様自身でご確認して頂けます。


リフレッシュ&リビルトのフロー
洗浄・乾燥から、赤外線検査、光検査を経て、空気流動試験まで、一貫したシステムで高品質なサービスをご提供致します。







